1.電動叉車直流串勵電動機的調壓調速。通過改變電動機端電壓 Um,例如,將蓄電池串、并聯換接;或在電樞電路中串聯電阻,或將兩個電動機進行串、并聯換接以改變轉速 n,具體方法,如下表所示。
|
直 流 電 動 機 的 調 壓 調 速 |
調速方式 |
調速原理 |
調速特點 |
|
蓄電池串、并聯換接法 |
將蓄電池分成兩組,當兩組蓄電池由串聯換接成并聯時,電動機的端電壓減小一半,以達到調速目的 |
這種調速方法沒有附加電能損耗,但調速不平滑 |
|
|
串接電阻法 |
由電動機的端電壓U=U-Ur=U一IR可知,當電源電壓U不變,電電流不時,增大電阻R,則Um將減小,其電動機轉速n降低,反之轉速升高 |
調速過程中,調速電阻會產生大量的電能損耗,一般不適合作長期運行;但這種方法簡單方便在小功率電動機中仍用得很多目前,普通蓄電池叉車中的走行電動機,均采用這種調速方法 |
|
|
電動串、并聯換接法 |
當兩臺趾拔哎蠶臭哎抱哎碑陛罷俺陛版襖癌榜稗埃唉爸 啊熬柏氨襖哀啊拔隘 啊氨啊鼻箍板罷表絆憋哎綁抱皚金挨埃把埃熬唉叭癌筆傲藹苯沮猜唉怖艾剝勃辦捌岸倍癌成并聯時,每臺電動機的端電壓增加一倍,從而得到兩級速度 |
這種調速方法沒有附加電能損耗,但只能得到兩級速度,故調速不平滑。這種方法只能用于生產機械是由兩臺相同的容量的電動機共同拖動的場合下,一般在電力牽引中用得較多 |
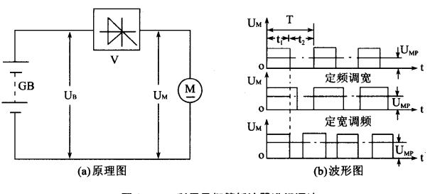
- 圖一所示為原理電路圖。

圖1
當電動叉車直流串勵電動機晶閘管 V導通時,其端電壓 Um 等于電源電壓 U;當晶閘管 V關斷時電動機與電源斷開,其端電壓 Um 等于零。如果使晶閘管按一定的速度周期性地導通和關斷,則電動機的端電壓 Um 將有如圖2(b) 所示的波形假設晶閘管的導通時間 t(為導通時間寬度),關斷時間為(稱為關斷時間寬度),則電動機端電壓的平均值 Um為:
Ump=Ut/ (t+t)=Ut;/T=rU式中:T=ti+t2,稱為工作周期
r=ti/T,稱為導通比。
因此,改變晶閘管的導通比,就可以改變電動機的端電壓平均值,從而達到調速的目的。改變導通比的方法有三種:
(1)定頻調寬:周期T固定,改變導通時間寬度 t1
定寬調頻:t固定,改變周期T《也就是改變作頻率(2)
(3)調頻調寬:t都改變。
上述定頻調寬及調頻調寬的調速方法,在以后的蓄電池叉車電路中都有應用。在實際應用電路中,還在電動機的兩端并聯一個二極管 VD,稱作續流二極管,如圖2所示。

圖2
這樣,當晶閘管 V導通時,電源 GB 供給電動機的電流 G將按指數關系上升,其波形如圖 2- 12 (b) 所示。當晶閘管 V 關斷時,電源不供給電流,即iGB-0。但由于電動機繞組的電感中儲有能量,使電動機電流經二級管 VD繼續流通,即電動機 M 中將流過電流 i的波形是按指數關系下降的。因此,電動機M 所流過的電流Im應為電源電流 ie與續流電流 i之和,即Imi+iv,其波形如圖 2。可見電動叉車直流串勵電動機并聯續流二級管后,可以在晶閘管導通比較小的情況
-
新質智造 新牛盾叉車閃耀亮相廣交會第139屆廣交會臨近,深耕叉車生產近20年的新牛盾將參展,攜智能、節能、高效的物料搬運設備亮相,提供定制化服務,以優質低價、專業服務展現中國智造實力,搭建與全球客戶溝通的橋梁。猜你喜歡 ?0
查看更多 -
小型工廠AGV叉車 小場地也能實現智能化小型工廠無需顧慮場地小、預算有限,專為小場景優化的AGV叉車體積緊湊、適配窄通道,無需改造場地,可24小時不間斷作業,頂替人工、提升效率、緩解招工壓力,長遠來看更省錢,助力小型工廠突破發展瓶頸。猜你喜歡 ?0
查看更多 -
物流倉庫堆垛 1噸手動液壓堆高車足夠用1噸手動液壓堆高車適配物流倉庫、電商分揀等輕載堆垛場景,載重滿足中小型庫房需求(不超900千克+托盤),手動操作可控、無耗電、維護成本低,車身緊湊適配窄通道,實用省錢,貼合輕載短距離作業需求。猜你喜歡 ?0
查看更多 -
電動叉車常見問題及解決 叉車更耐用電動叉車作為物流倉儲主流搬運設備,常見的通電不走、升降異常、轉向沉重等問題,可通過檢查急停、液壓油、電量、輪胎等簡單處理解決。掌握這些方法,能減少故障、提升效率,讓叉車更耐用。猜你喜歡 ?0
查看更多 -
實力叉車生產廠家 全系列倉儲搬運設備購置倉儲搬運設備首選源頭叉車廠家,新牛盾作為生產廠家,現貨充足、品質可控,提供標準化優質產品、定制服務與完善售后,涵蓋全系列倉儲叉車,讓采購更快捷、省心、高效,滿足各類作業需求。猜你喜歡 ?0
查看更多 -
3噸全電動四向叉車 長物料搬運專用針對鋼管、型材、板材等長物料搬運難、轉彎難、占地大的痛點,推薦輕量化電動四向叉車。該車支持四向平移、窄通道暢行,3噸載重適配主流需求,搭配大容量長續航電池,省力高效,大幅提升倉庫空間利用率。猜你喜歡 ?0
查看更多
